常見問題
更多>>
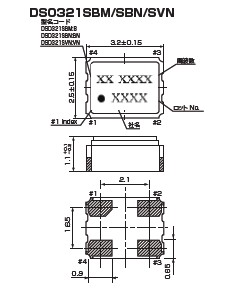
KDS無線通信晶振,石英晶振DSO321SVN,石英晶體振蕩器,3225尺寸,低消耗電流(3.3V類型),帶三態功能,1柵極驅動專用振蕩器,面向輕負載用途優化輸出波形,超小型,輕型貼片石英晶體振蕩器,平板電腦晶振,特別適用于目前高速發展的高端電子數碼產品.因產品性能穩定,精度高等優勢,被廣泛應用于無線通信,智能手機,筆記本電腦,藍牙,數碼相機,WLAN網絡等產品,符合RoHS/無鉛.
.jpg)

.jpg)


日本株式會社,天津KDS作為一個最重要的環境保護活動的管理政策,制定一系列環境事項管理政策,倡導員工樹立環保意識,拒絕生產任何污染環境的有害物質,通過與環境的和諧企業活動,加大環境的監督,制約與管理,KDS集團將有助于創造社會發展得以持續.晶振應用產品的開發,在該地區的所有的生產業務,KDS集團,將促進對全球環保事業的承諾.

2002年獲得ISO / TS 16949(由國際標準化組織技術規范).2003年建立上海DAISHINKU國際貿易有限公司加強在中國的銷量.加強石英裝置業務轉移和諧電子公司合并的子公司.2010建立DAISHINKU(泰國)有限公司.2012年擴大了地板在Kakogawa Laboratry中部城市的大小.2013年第一部分的東京證券交易所上市.
.jpg)
如果過大的激勵電力對晶體諧振器外加電壓,有可能導致特性老化或損壞,因此請在宣傳冊、規格書中規定的范圍內使用.讓諧振器振蕩的電路寬裕度大致為負性阻抗值.本公司推薦此負性阻抗為諧振器串聯電阻規格值的5倍以上,若是車載和安全設備,則推薦10倍 以上.
.jpg)
QQ:769468702
手機:13590198504
郵箱:zhaoxiandz@163.com
網站:http://www.qglg.com.cn/
地址:深圳市南山南頭關口8棟









