常見問題
更多>>
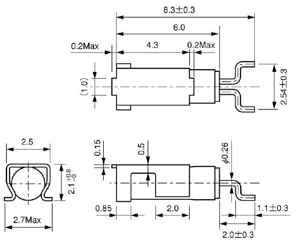
無源晶振CMJ206T,石英水晶振子,西鐵城彎叉諧振器,小型,薄型,輕型的音叉型晶體諧振器,具有優良的耐熱性,耐環境特性,可發揮優良的電氣特性,符合RoHS規定,滿足無鉛焊接的回流溫度曲線要求.小型貼片石英晶振,外觀尺寸具有薄型插件石英晶體諧振器,特別適用于有小型化要求的市場領域,比如智能手機,無線藍牙,平板電腦等電子數碼產品.晶振本身超小型,薄型,重量輕,晶體具有優良的耐環境特性.
.jpg)
| 項目 | 符號 | CMJ206T |
| 標準頻率 | fo | 32.768kHz |
| 頻率公差 | △f/fo | ±20ppm |
| 負載電容 | CL | 12.5pF |
| 工作溫度 | TOPR | -40℃ ~ +85℃ |
| 儲存溫度 | TSTR | -55℃ ~ +125℃ |
| 拐點溫度 | TM | 25℃ ± 5℃ |
| 溫度系數 | β | -0.034±0.006ppm/℃ |
| 串聯電阻 | R1 | 50kΩ Max |
| 激勵功率 | DL | 1μW Max |
| 頻率老化 | △f/fo | ±3ppm Max |
| 質量指標 | Q | 70000 Typ |
| 并聯電容 | Co | 1.35pF Typ |
.jpg)



作為世界五百強企業的日本西鐵城株式會社,早在2001年7月就授權于【香港領冠電子有限公司】,西鐵城香港子公司對中國廣西悟州投資成立獨資企業,在當時注冊資本為3千萬港幣品牌為(CITIZEN).悟州領冠公司主要生產石英晶振,手表,液晶模塊,以及技術開發新型的電子元器件等產品.西鐵城悟州公司在當年的12月份就已經對石英水晶振動子等產品的投產,2002年出口就達到1千多萬美元.是悟州市出口最大的三資企業之一,西鐵城晶振有以下部分產品.
.jpg)
促進新產品的發展以及現有產品的質量改進和有把握的可靠性,內部分析技術的支持是至關重要的.分析集團進行分析技術開發新產品和材料的機會和失敗分析現有產品質量的主題.數據庫的分析結果為有效opperation會積累.作為產品和先進的分析需求,我們交流與生產站點并提供準確和及時的反饋.它有助于提高研發能力和生產技術.

西鐵城向社會提供了地球環境保護做出努力.環境相關的法令、條例、規定、協議等的要求,遵守環境負荷的降低和防止污染的努力.工廠、辦公室的節能、省資源、資源循環、化學物質的適當管理.在防止全球變暖及循環型社會做出貢獻.減少溫室氣體排放,資源的有效利用,地區社會環境保護活動和保護生物多樣性活動參與、環境的等而進行的積極信息,與優秀的資源節約等性能和再循環能力.
.jpg)
深圳市兆現電子有限公司聯系人:龔成
QQ:769468702
手機:13590198504
郵箱:zhaoxiandz@163.com
網站:http://www.qglg.com.cn/
地址:深圳市南山南頭關口8棟








