晶振分類
- 晶振系列
- 陶瓷晶振
- 陶瓷濾波器
- 微孔霧化片
- 希華晶體
- 石英晶振
- SMD晶振
- 聲表面諧振器
- NSK晶振
- TXC晶振
- 臺灣加高晶振
- 臺灣鴻星晶振
- 百利通亞陶晶振
- 臺灣泰藝晶振
- AKER晶振
- NKG晶振
- 進口晶振
- KDS晶振
- 精工晶振
- 村田晶振
- 西鐵城晶振
- 愛普生晶振
- 亞陶,嘉碩晶體
- CTS晶體
- 京瓷晶振
- NDK晶振
- 大河晶振
- 瑪居禮晶振
- 富士晶振
- NAKA晶振
- SMI晶振
- NJR晶振
- 移動設備
- 數碼電子
- 通信網絡
- 醫療電子
- 安防GPRS導航
- 汽車電子
- 歐美晶振
- Abracon晶振
- 康納溫菲爾德晶振
- 日蝕晶振
- ECS晶振
- 高利奇晶振
- 格林雷晶振
- IDT晶振
- JAUCH晶振
- Pletronics晶振
- 拉隆晶振
- Statek晶振
- SiTime晶振
- 維管晶振
- 瑞康晶振
- 微晶晶振
- AEK晶振
- AEL晶振
- Cardinal晶振
- Crystek晶振
- Euroquartz晶振
- Fox晶振
- Frequency晶振
- GEYER晶振
- KVG晶振
- ILSI晶振
- Mmdcomp晶振
- MtronPTI晶振
- QANTEK晶振
- QuartzCom晶振
- Quarztechnik晶振
- Suntsu晶振
- Transko晶振
- Wi2Wi晶振
- ACT晶振
- MTI-milliren晶振
- Lihom晶振
- Rubyquartz晶振
- Oscilent晶振
- SHINSUNG晶振
- ITTI晶振
- PDI晶振
- IQD晶振
- Microchip晶振
- Silicon晶振
- Anderson晶振
- Fortiming晶振
- CORE晶振
- NIPPON晶振
- NIC晶振
- QVS晶振
- Bomar晶振
- Bliley晶振
- GED晶振
- FILTRONETICS晶振
- STD晶振
- Q-Tech晶振
- Wenzel晶振
- NEL晶振
- EM晶振
- PETERMANN晶振
- FCD-Tech晶振
- HEC晶振
- FMI晶振
- Macrobizes晶振
- AXTAL晶振
- Sunny晶振
- ARGO晶振
- Dynamic迪拉尼
- 石英晶體振蕩器
- 有源晶振
- 溫補晶振
- 壓控晶振
- 壓控溫補晶振
- 恒溫晶振
- 差分晶振
常見問題
更多>>
Golledge晶振公司自從在1990年成立以來,golledge電子取得了前所未有的成功.經過多年的不斷增長,我們現在是英國最主要的頻率控制產品晶振廠家供應商.這種增長是通過保持我們的專注于我們的客戶的要求,并通過努力始終滿足和超越他們實現的.總部位于西英格蘭心臟地帶的一個美麗的轉換農場建筑的收集,golledge向全世界50多個國家的出口,占收入的60%以上.
高利奇晶振的全部產品是在本網站的產品領域指定的,是最新信息的確定來源,包括數據表、產品公告、白皮書等.我們的有源晶振產品廣泛應用于電子工業,包括電信、衛星、微處理器、航空航天、汽車、儀器和醫療應用.golledge是英國發展最快的頻率產品晶振廠家供應商.我們在競爭激烈的市場上繼續成功是對我們的產品質量和出色的服務的敬意.

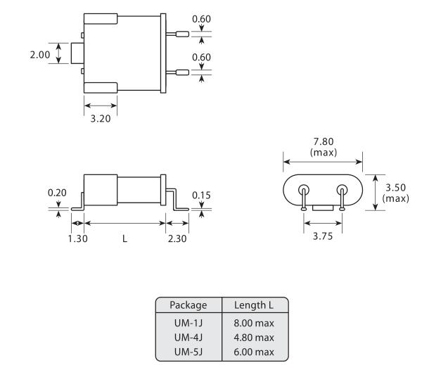
Golledge晶振,石英晶振,UM-1J晶振,引腳焊接型石英晶體元件.工廠倉庫長時間大量庫存常用頻點,.高精度的頻率和晶振本身更低的等效串聯電阻.常用負載電容,49/U石英晶振,因插件型鏡頭成本更低和更高的批量生產能力.主要應用于電視,機頂盒,LCDM和游戲機家用常規電器數碼產品等的最佳選擇.符合RoHS/無鉛.
|



輻射
晶振產品暴露于輻射環境會導致石英晶體性能受到損害,因此應避免照射.Golledge晶振,石英晶振,UM-1J晶振
化學制劑 / pH值環境
請勿在PH值范圍可能導致腐蝕或溶解進口晶振或包裝材料的環境下使用或儲藏這些產品.UM-1J晶振,49U插件石英晶體,兩腳無源晶振
粘合劑
請勿使用可能導致SMD晶振所用的封裝材料,終端,組件,玻璃材料以及氣相沉積材料等受到腐蝕的膠粘劑. (比如,氯基膠粘劑可能腐蝕一個晶體單元的金屬“蓋”,從而破壞密封質量,降低性能.)
鹵化合物
請勿在鹵素氣體環境下使用無源晶振.即使少量的鹵素氣體,比如在空氣中的氯氣內或封裝所用金屬部件內,都可能產生腐蝕.同時,請勿使用任何會釋放出鹵素氣體的樹脂.

Golledge高利奇晶振集團將有效率的使用自然資源和能源,以便從彎腳插件晶振產品源頭減少廢物產生和排放.我們將在關注于預防環境和安全事故,保護公眾健康的同時,努力改進我們的生產操作.我公司將積極參與加強公眾環境、健康和安全意識的活動,提高公眾對普遍的環境、健康和安全問題的注意. Golledge晶振,石英晶振,UM-1J晶振
Golledge晶振重視污染預防,消除偏離程序的行為強調通過員工努力這一最可行的方法持續改進我們插件型石英晶體諧振器經營活動的環境績效.與我們的員工一起開創并保持一個免于事故的工作場所.所有的經營組織都將積極應用國際標準以及適用的法律法規.為促進合理有效的公共政策的制訂實施加強戰略聯系.UM-1J晶振,49U插件石英晶體,兩腳無源晶振
Golledge高利奇晶振集團消除事故和環境方面的偶發事件,減少晶體諧振器、49U型2腳諧振器,普通晶體振蕩器(SPXO)材料廢物的產生和排放,有效的使用能源和各種自然資源,對緊急事件做好充分準備,以便及時做出反應.同時告知我們的員工顧客以及公眾,如何安全的使用晶振產品,如何使用對環境影響較小,幫助我們的雇員合同方商業伙伴服務提供上理解他們的行為如何影響著環境.

深圳市兆現電子有限公司
聯系人:龔成
電話:0755--27876236聯系人:龔成
QQ:769468702
手機:13590198504
郵箱:zhaoxiandz@163.com
網站:http://www.qglg.com.cn/









